Standard Trims & Flashing

Gable Trim (GT1)

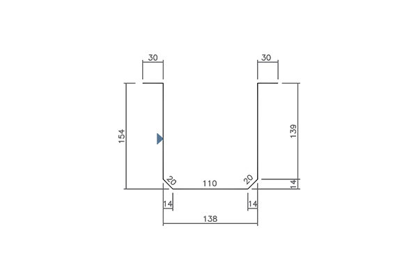
Eave Gutter (GU1)

Eave Trim (ET1) & Single Ridgecap (SRC-1)

Outside Corner Trim (OT1)

Facia Sill Trim (FST-1) & Facia Sill Trim (FST-2)

Masonary Trim-MF1 & Drip Trim (DT1)

Transistion Trim (TT1) & Jamb Trim (JT1)

Jamb Trim (JT2-200) & Jamb Trim (JT2-250)

Cap Flashing For 200Z-FC200

Cap Flashing For 250Z-FC250

Bottom Trim (BT1-250)

Inside Corner Trim (IT1)

Fascia Transition Flashing (FT1)

Apron Trim

Downtake Profile

Downtake Strap (DSS1)

Length – 400mm Gutter Strap (GSS1)


15,16 Shivanta Industrial Park, Dhamatvan, to Harniyav, Dhamatvan, Road, State Highway-144, Ahmedabad, Gujarat 382435
+91 94298 50054
ethicsstructures@gmail.com